www.cokhitieuchuan.com
MAKING IT EASIER
[create_shortcode_menu_Cate_mau]
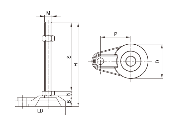
Chân tăng chỉnh PADG-A & PADG-B (Gaksan Bolt)
Brand / Thương hiệu:
Chất liệu
● Thép không gỉ Inox SUS 304 / Thép carbon
Đường kính bát đế
● Tùy chỉnh
Chiều cao
● Tùy chỉnh
Ứng dụng
● Điều chỉnh độ cao dễ dàng với mô-men xoắn thấp /Tải trọng cho phép tăng khoảng 50% so với bu lông thông thường / Giá thấp hơn so với bu lông TR (đã qua xử lý)
|
MODEL |
KÍCH THƯỚC (mm) |
CHẤT LIỆU |
Xử lý bề mặt |
Tải trọng cho phép |
||||||||
|
Ø |
M |
S |
H |
N |
B |
LD |
P |
BU LÔNG & ĐAI ỐC |
Phần dưới |
HOÀN THIỆN |
4EA/kg |
|
|
PADG-A |
75 |
M20x4mount |
100 |
137 |
13 |
24 |
122 |
66 |
SM10C |
minor (Thép rèn) |
Kẽm trắng (Kẽm) |
4500 |
|
150 |
187 |
|||||||||||
|
200 |
237 |
|||||||||||
|
250 |
287 |
|||||||||||
|
84 |
M20x4mount |
100 |
141 |
13 |
28 |
141 |
78 |
|||||
|
150 |
191 |
|||||||||||
|
200 |
241 |
|||||||||||
|
250 |
291 |
|||||||||||
|
PADG -B |
80 |
M20x4mount |
100 |
138 |
13 |
25 |
– |
– |
SM10C |
MINOR (Thép rèn) |
Kẽm trắng (Kẽm) |
4500 |
|
150 |
188 |
|||||||||||
|
200 |
238 |
|||||||||||
|
250 |
288 |
|||||||||||
※ Tất cả các loại đều có thể được tùy chỉnh, bao gồm RB, RL, NS, FABL, MFN, MFU và NHNR.

