Đặc điểm kỹ thuật
* Nhiệt độ hoạt động (Phạm vi nhiệt độ): -10 ~ 90℃
|
|
|
|
|
|
|
|
|
|
|
|
|
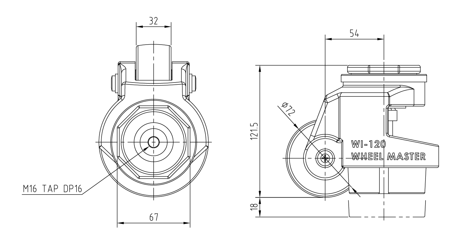
Tải trọng cho phép 1EA |
Tải trọng khuyến nghị |
Đường kính ngoài của bánh xe |
Chiều rộng bánh xe |
Chiều cao |
Chiều cao có thể điều chỉnh |
Đường Center |
Kích thước bu lông |
Độ sâu bu lông |
Kích thước cờ lê |
Trọng lượng bản thân |
|
1,000Kg |
2,000Kg | Ø72 | 32 | 121.5 | 18 | 54 | M16 | 16 | 67 |
1.70Kg |










